| Availability: | |
|---|---|
| Quantity: | |
1. Appeal
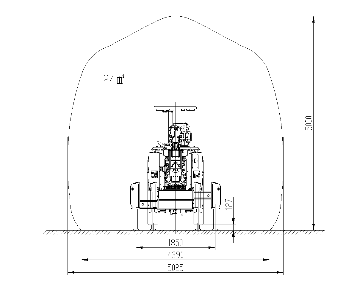
Cytj45s is mainly used for the construction of various underground tunnels and water permissive pipes, such as metal mines, hydroelectric power plants, etc. It is also used for drilling explosive wells and wells for anchor bolts and tailings, small roads, etc. The equipment uses a hydraulic drilling system, and improved, improved system. system, rapid drilling speed, high working efficiency; The car is compact, bending and convenient for working in a narrow space. The maximum working area is 24m2
2. Attach to the advantage
Drill installation
Import installation has such characteristics as overpretability to bending, high drilling speed, low loss of drilling tools, etc.
Feed
Light aluminum beam, high efficiency of bending, twisting and fatigue strength, long service life. A unique single -layer layout of the hose coil, with a reliable design of the tube clamp, good characteristics of the tension of the hose, an effective increase in the service life of the hose, a decrease in the cost of maintenance;
Arrow
Fully parallel drilling arrow, quick and accurate positioning; Square structure, high strength, good depreciation;
Hydraulic system
A three -drug system, a clear division of labor, strong noise immunity, a stable output stream; When drilling, a direct hydraulic control system is used, a simplified hydraulic pipeline convenient for maintenance. It has functions of protection against jamming, air defense and automatic reverse, which can effectively increase drilling efficiency and reduce the loss of drilling tools;
Electric system
Choose the electrical components of Schneider, Siemens and other well -known international brands, high reliability, long service life; with protection against soil closing, protection of phases sequence, protection against engine overload and alarm about the engine malfunction and other protection functions.
Power gear
Chinese -made engine Stageⅳ, hydrostatic transmission, high ability to overcome rises, emergency and parking brake SAHR, safety and reliability.
Cabin
The ceiling of the cab can be lifted and lowered in accordance with the requirements of driving and operation on various roads;
Hood
The hood of the vehicle has a full coating design that provides safe and reliable protection of power, transmission, hydraulic and electrical systems.
Dimensional dimensions

Coating area

Turning cross -country ability

No. | Description | Data | |||
Ⅰ | The main parameters | ||||
1 | Mass (KG) | 10000 | |||
2 | Measurement (MM) | 10700 × 1300 × 2710 (2010) | |||
3 | Coating zone (width × height , mm) | 5025 × 5000 | |||
4 | Turning radius (mm) | 2504/4463 | |||
5 | The maximum coating area (㎡) | 24 | |||
Ⅱ | Detailed configuration | ||||
1 | Rocky drill | Model × quantity | HC109 × 1 | YYG18U × 1 | |
Brand | Montabert | Epiroc | |||
Hydraulic pressure (bar) | 230 | 230 | |||
Shock force (kw) | 18.8 | 18 | |||
Maximum impact pressure (bar) | 120-135 | 215 | |||
Maximum strike frequency (HZ) | 38-49 | 57 | |||
Energy to blow (j) | 296-350 | 300 | |||
Maximum rotation pressure (bar) | 140 | 140 | |||
Maximum torque (n · m) | 730 | 1050 | |||
Rotation speed (r/min) | 176 | 220 | |||
Washing pressure (bar) | 15-25 | ≤25 | |||
Mass (kg) | 142 | 180 | |||
2 | Boom | Quantity | 1 | ||
Management mode | Direct positioning of the front and rear triangle | ||||
Coating zone (㎡) | 24 | ||||
Lengthening of the arrow (mm) | 1500 | ||||
Max. lifting angle (°) | +52/-43 | ||||
Max. rotation angle (°) | ± 30 | ||||
3 | Feed | Total length (mm) | 4740/5400 | ||
Feed force (kn) | 15 | ||||
The length of the drill steel (mm) | 3090/3700 | ||||
Opening depth (mm) | 2830/3440 | ||||
Turning the feed (°) | ± 180 | ||||
Max. rotation angle (°) | -3 ~ 90 | ||||
4 | Carrier | Overcoming climb (°) | 20 | ||
Engine | Manufacturers | Yuchai | |||
Power (KW) | 55.8 | ||||
Emissions | Turbo, China ⅳ | ||||
Full -wheel drive | Yes | ||||
The speed of tram is (km/h) | ≤10 | ||||
Road clearance (mm) | ≥220 | ||||
Sharpish steering | Yes | ||||
The angle of rotation of the steering wheel (°) | ± 40 | ||||
The wheelbase of the front and rear wheels (MM) | 2300 | ||||
5 | Hydraulic system | Management mode | Direct Direct Direct Direct Management | ||
Engine power (kW) × quantity | 51.75 × 1 | ||||
The volume of the tank of hydraulic oil (l) | 220 | ||||
Filter (μm) | 10 | ||||
6 | Air system | Air pressure (bar) | 0.3 (RATED )、 0.8 (max.) | ||
Air consumption (l/min) | 320/700 (Optional) | ||||
Oil supply (ml/min) | 1.4 ~ 1.75 | ||||
7 | Water system | Power (kw) | 3 | ||
Capacity (l/min) | 52 (12BAR) | ||||
Min. Water pressure at the entrance (bar) | 2 | ||||
Nominal pressure (bar) | 12 | ||||
8 | Electric system | Manufacturers | Siemens/Schneider | ||
Total installed capacity (kw) | 60 | ||||
Voltage (v)/ frequency (hz) | 380/50 | ||||
Cable length (m) | 80 | ||||
Launch method | Star/Delta | ||||
Protection against leaks | Yes | ||||
PROTECTION against overloading electric motors | Yes | ||||
Short circuit protection | Yes | ||||
Reliability of equipment
1 | Equipment service life | More than 15 years |
2 | First major repairs | 2 ~ 3 years (can be adjusted depending on the use and maintenance of equipment) |
3 | Reliable work | Cytj45S has excellent quality manufacturing, suitable for highly effective and long -term operation in severe conditions, and also has high operational reliability. |
Maintenance of equipment
1 | Interchangeability and versatility of details | Cytj45s uses standardized parts with high interchangeability and versatility. |
2 | The degree of standardization of parts | Cytj45s uses standardized parts with a high degree of standardization |
3 | The difficulty of disassembling the details | Cytj45s has a modular design convenient for disassembly and assembly; The lid has several holes, and the filter element of the engine is displayed, which is convenient for maintenance. |
Safety, ecology, comfort.
1 | Safety | Wet emergency brake; parking brake: spring brake, hydraulic disintections, to ensure safe and reliable work on the ramp; Protection against leaks, overload and short circuit ensures the safety of personnel and equipment. |
2 | Comfort | Direct management system is used, easy to operate. |
3 | Exhaust gas emissions standard | It complies with the national standard of emissions IV, the device for cleaning the tail gases, meets the high requirements of mines emissions. |
4 | Noise | ≤100db |
Features and advantages compared to similar equipment
Cytj45s uses a hydraulic direct control + auxiliary electrical control system, and its chassis is driven by four tire wheels and a hydrostatic transmission system. The equipment uses an imported powerful rock punch, a completely hydraulic drilling system with confusion protection, high drilling efficiency and is equipped with a telescopic parallel holding drilling arrow with accurate positioning. The feed is made of light high -strength cemented carbide, with high bending and twisting strength, long service life and linear drilling process. With a width of 1.3 m, the lower cage can be dismantled by a maximum of 4 sections, and the ability to overcome the rise can reach 20 °. It is especially suitable for narrow and complex underground mines of mines. Additional elongated front axle, blizzard and other functions.
Components | Dimensional dimensions /MM | Mass /KG |
SUBMENT+arrow | 5530 × 640 × 1360 | 2250 |
Front and back frame | 4630 × 1300 × 2070 | 7400 |
Front frame | 1940 × 1300 × 2070 | 3400 |
The back frame | 2960 × 1300 × 1880 | 4000 |
The tail frame | 1120 × 990 × 1170 | 680 |
Disassemble the program one:

Disassemble the program two:

No. | Component | Country | Brand | quantity |
1 | Engine | China | Yuchai | 1 |
2 | Front axle | China | XCMG | 1 |
3 | The rear axle | China | XCMG | 1 |
4 | Rocky drill | France | Montabert | 1 |
Sweden | EPIROC (Optional) | 1 | ||
5 | Electric motors | Germany | Siemens | 1 |
6 | The hydraulic pump pump | Germany | Rexroth | 1 |
7 | The stroke hydraulic motor | Germany | Rexroth | 1 |
8 | Air compressor | Italy | Mattei | 1 |
9 | Shock hydraulic pump | Danish | Danfoss | 1 |
10 | Positioning of a hydraulic pump | Danish | Danfoss | 1 |
11 | Rotor hydraulic pump | USA | Permco | 1 |
12 | Two -stage hydraulic pump | USA | 泊姆克 Permco | 1 |
13 | Cable | China | Zhongmei | 80m |
Note: The company's products are constantly being improved, this form is presented only for reference, the actual factory car has predominant power.