| Availability: | |
|---|---|
| Quantity: | |
1. Introduction
XUD135 [Cytj45 (Y)] is mainly used for the construction of various underground tunnels and culverts, such as metal mines, hydroelectric power plants, etc. It is also used for drilling of explosive wells and wells for anchor bolts for the extraction of narrow cores and tailings, small roads, etc. The equipment uses the hydraulic system. drilling, improved system, rapid drilling speed, high working efficiency; The car is compact, bending and convenient for working in a narrow space.
2. Attach to the advantage
Drill installation
Import installation has such characteristics as overpretability to bending, high drilling speed and low loss of drilling tools, etc.
Innings
Light aluminum beam, high efficiency of bending, twisting and fatigue strength, long service life. A unique single -layer structure of the hose coil with a reliable design of the pipe clamp, good characteristics of the tension of the hose, an effective increase in the life of the hose, and a decrease in the cost of maintenance;
Arrow
Fully parallel drilling arrow, quick and accurate positioning; Square structure, high strength, good depreciation characteristics;
Drilling system
It has the functions of protecting against jamming, air defense and automatic reverse sliding, which can effectively increase drilling efficiency and reduce the loss of drilling tools.
Hydraulic system
The design of electric control with an auxiliary movement of the leg, a ceiling lamp streamlined by the pipeline, EWEI is confirmed;
Electric system
Select the electrical components of Schneider, Siemens and other well -known international brands, high reliability, long service life; With protection against soil closing, protection against phases sequence, protection against engine overload and alarm about the engine malfunction and other protective alarm functions.
Cabin
The ceiling of the cab can be lifted and lowered in accordance with the requirements of driving and operation on various roads;
Hood
The hood of the vehicle has a full coating design that provides safe and reliable protection for power, transmission, hydraulic and electric systems.
Dimensional dimensions

Coating area

Turning cross -country ability

No. | Description | Data | ||
Ⅰ | The main parameters | |||
1 | Mass (KG) | 13400 | ||
2 | Measurement (MM) | 12100 × 2065 × 2420 (3120) | ||
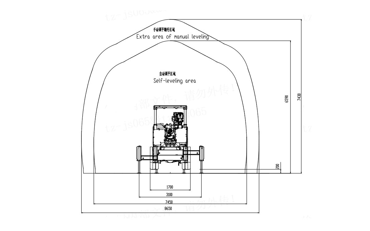
3 | Coating area (width × height , mm) | 7450 × 6590 (self -leveling area)/8650 × 7430 (Additional manual alignment area) | ||
4 | Turning radius (mm) | ≤5500 | ||
5 | The maximum coating area (㎡) | Manual 50 (Auto 35) | ||
6 | Minimum mine height (m) | 3.5 | ||
Ⅱ | Detailed configuration | |||
1 | Rocky drill | Model × quantity | HC109 × 1 | |
Mark | Montabert | |||
Hydraulic pressure (bar) | 230 | |||
Shock force (kw) | 18.8 | |||
Maximum impact pressure (bar) | 120-135 | |||
Maximum strike frequency (HZ) | 38-49 | |||
Energy to blow (j) | 296-350 | |||
Maximum rotation pressure (bar) | 140 | |||
Maximum torque (n · m) | 730 | |||
Rotation speed (r/min) | 176 | |||
Washing pressure (bar) | 15-25 | |||
Mass (kg) | 142 | |||
2 | Boom | Quantity | 1 | |
Management mode | Direct positioning of the front and rear triangle | |||
Coating zone (㎡) | 35 | |||
Lengthening of the arrow (mm) | 1250 | |||
Max. lifting angle (°) | +65 °/-30 ° | |||
Max. rotation angle (°) | ± 40 ° | |||
Flood expansion (mm) | 1600 | |||
Parallel retention | full | |||
3 | Feed | Quantity | 1 | |
Feed mode | Hydraulic cylinder + cable | |||
Total length (mm) | 5986 | |||
Feed force (kN) | 15 | |||
Drill length (mm) | 4310 | |||
Hole diameter (mm) | 45-89 | |||
Opening depth (mm) | 4000 | |||
The angle of inclination of the supply (°) | ± 180 | |||
Max. rotation angle (°) | -4 ~ 90 | |||
4 | Carrier | Speed (km/h) | ≤18 | |
Overcome slope (°) | 15 | |||
Road clearance (mm) | ≥260 | |||
The wheelbase of the front and rear wheels (mm) | 2800 | |||
Front/rear wheels width (mm) | 1740/1440 | |||
Type of front/rear tires × quantity | 9-20 × 2/9-20 × 2 | |||
Engine | Manufacturers | Yuchai | ||
Power (kW)/speed (rpm) | 66/2200 | |||
Emissions standards | Turbo, China ⅳ | |||
Full -wheel drive | Yes | |||
Emergency and parking | Wet dual -circuit Emergency Inhibition amplifier | |||
Sharnary steering | Yes | |||
The volume of the fuel tank (l) | 60 | |||
5 | Hydraulic system | Management mode | Direct Direct Direct Direct Management | |
Engine power (kW) × quantity | 55 × 1 | |||
Manufacturers of the main pump | Danfoss | |||
Nominal pressure of the main hydraulic pump (bar) | 140 | |||
The working volume of the main hydraulic pump (l/min) | 100 | |||
Manufacturers of auxiliary hydraulic pump | Danfoss | |||
Nominal pressure of the auxiliary hydraulic pump (bar) | 230 | |||
Working volume of auxiliary hydraulic pump (l/min) | 60 | |||
The volume of hydraulic oil tank (l) | 240 | |||
Filtering (MKM) | 10 | |||
6 | Air system | Manufacturers | Mattei | |
Performance (l/min)/air pressure (bar) | 700/8 | |||
Air flow (l/min) | 300 | |||
Oil supply (ml/min) | 0.5 | |||
7 | Water system | Manufacturers | Nanfang Bengye | |
Power (kW) | 3 | |||
Performance (m3/h) | 5 | |||
Min. Water pressure at the entrance (bar) | 2 | |||
Nominal pressure (bar) | 12.4 | |||
Water pressure during drilling (bar) | 15-25 | |||
8 | Electric system | Manufacturers | Siemens/Schneider | |
Main engines (kW) | 55 | |||
Total installed capacity (kW) | 63 | |||
Voltage (B)/frequency (Hz) | 380/50 | |||
Cable length (m) | 80 | |||
Starting method | Star/Triangle | |||
Defense protection | Yes | |||
PROTECTION against overloading electric motors | Yes | |||
Short circuit protection | Yes | |||
Reliability of equipment
1 | Equipment service life | More than 10 years (except for drilling installation) |
2 | First major repairs | 2-3 years (can be adjusted depending on the use and maintenance of equipment) |
3 | Reliable work | XUD135 [CYTJ45 (Y)] is distinguished by excellent quality manufacturing, suitable for highly effective and long -term operation in severe conditions, and is also characterized by high operational reliability. |
Maintenance of equipment
1 | Interchangeability and versatility of details | Xud135 [Cytj45 (y)] uses standardized parts with high interchangeability and versatility |
2 | The degree of standardization of parts | Xud135 [Cytj45 (Y)] uses standardized parts with a high degree of standardization |
3 | The difficulty of disassembling the details | XuD135 [Cytj45 (Y)] uses a modular structure; The lid is designed with several holes, and the filter engine element is displayed, which is convenient for maintenance. |
Safety, ecology, comfort
1 | Safety | Wet emergency brake, parking brake, to ensure safe and reliable work on the ramp; Treatment protection, overload protection and short circuit protection ensure the safety of personnel and equipment. |
2 | Comfort | A direct control system has been adopted, easy to operate. |
3 | Exhaust gas emissions standard | Corresponds to the national standard of emissions IV, the device for cleaning the tail gas complies with high requirements of the mine emissions. |
4 | Noise | ≤125db |
Features and advantages compared to similar equipment
XuD135 [Cytj45 (Y)] uses hydraulic direct control + auxiliary electrical control system, and its chassis is driven by four tire wheels. The equipment uses an imported powerful rocky drill, a completely hydraulic drilling system with confusion protection, high drilling efficiency and is equipped with telescopic parallel holding drilling arrow with accurate positioning. The feed is made of light high -strength cemented carbide, with high bending and twisting strength, long service life and linear drilling process. An additional expanded air purge and other functions.
Configuration of the main component
序号 No. | Component | Country | Brand | quantity |
1 | Engine | China | Yuchai | 1 |
2 | Front axle | China | XCMG | 1 |
3 | The rear axle | China | XCMG | 1 |
4 | Boer | France | Montabert | 1 |
5 | Electric motors | Germany | Siemens | 1 |
6 | Air compressor | China | Mattei | 1 |
7 | Water pumping pump | China | Nanfang Bengye | 1 |
8 | Spiral rotary cylinder | China | Weihai Lionshare | 1 |
9 | Transmission | China | XCMG | 1 |
10 | Gidrotransformer | China | XCMG | 1 |
11 | Radiator | China | Funaike | 1 |
12 | Cable drum | China | Hinar | 1 |
13 | Hydraulic oil cooler | China | Nanguo | 1 |
14 | Shock hydraulic pump | Danish | Danfoss | 1 |
15 | Positional hydraulic pump | Danish | Danfoss | 1 |
16 | Rotor hydraulic pump | USA | Permco | 1 |
17 | Two -stage hydraulic pump | USA | Permco | 1 |
18 | Cable | China | Zhongmei | 80m |
Note: The company's products are constantly being improved, this form is presented only for reference, the actual factory car has predominant power.